![[PukiWiki] [PukiWiki]](image/bc_logo.png) 
 This article explains how to connect Gumstix Overo to Samsung's 7-inch TFT-LCD (800 x 480 x 24bit color). This short introduction employs a specific product, but its contents mostly discuss a general idea of how to connect any 7-inch display to Gumstix Overo rather than a specific one. The method and techniques used here can be generally applicable to other single board computers and LCDs. To understand the article, the basic knowledge of electronic engineering is required.
Gumstix Overo is a single board computer (a chip-on-module), whose footprint is about the size of a gum stick. This single board computer is equipped with OMAP3530 (hereafter OMAP), RAM, ROM, a power supply, and a chip that manages interface for peripheral equipments. These components are placed on the small board. Also, this single board computer is equipped with two 70-pin connectors for external peripheral equipments and a FPC connector, which is suitable for connecting cameras. As these connectors output LVCMOS level (1.8V) to peripheral devices, Gumstix Overo can easily connect with IO peripheral devices. The product line of the Gumstic Overo series is quite wide. Some Overo is additionally equipped with WiFi and/or Bluetooth. (Due to the regulation, Wifi and/or Bluetooth can not be used in some countries where Overo's Wifi/Bluetooth specifications are neither met with its radio communication standards of these countries, certified by nor licensed from their regulatory agencies.)
&ref(): File not found: "gumdtixjpg" at page "DIY Electronics / overo + 7inch TFT-LCD";
For this article, Samsung's TFT-LCD is used. The specifications of this TFT-LCD are:
- The screen size: 7 inch (diagonal)
- The resolution of the screen: 800 x 400 pixels
- The number of display colors: 16.3 million colors (24bit RGB interface)
- The backlight employs 24 white LEDs. This TFT-LCD unit has 24bit length image signal bus and the 4bit length synchronization bus at 3.3V level. The power supply for the backlight of LCD is independent and separated from the LCD's power supply. If the switch for
OMAP, which is installed on Gumstix Overo, comes with a built-in LCD controller. This LCD controller can read out the information written in frame memory, and it can create and output the signals. These signals are used for displaying images on the TFT-LCD. As all signals, which are required communicating with the TFT-LCD, are already generated and output from OMAP, the proper connection between Gumstix Overo and the TFT-LCD is the only requirement for displaying images on the screen. Moreover, as the parameters, which defines the properties of an LCD such as resolutions, frequency, displayable color, and operation mode, are written into the registers of OMAP, OMAP can easily handle different types of LCDs. As these signals can be converted into DVI-D signals, OMAP can be connected with HDMI displays.
There are critical issues to solve for attaching a TFT-LCD to Gumstix Overo and displaying images on the screen. There is a discrepancy between the IO driving voltages of OMAP and this LCD unit's, and it prevents OMAP and this LCD unit directly connecting each other. The LCD unit's IO driving voltage is needed to be 3.3V. The IO driving voltage of Gumstix Overo has to be 1.8V. Since OMAP strictly requires 1.8V of IO driving voltage, if any peripheral's IO driving voltage is not equal to 1.8 V, the device can not work with Gumstix Overo. To solve this issue, an LSI is employed for converting voltage. The details of how the LSI is applied are explained later. In addition to connecting the TFT-LCD to Gumstix Overo, this TFT-LCD requires a power source for its backlight. Usually any TFT-LCD panel does not glow itself. the power supply for the backlight is needed.
Before it starts explaining how to attach a specific TFT-LCD to Gumstix Overo, this section briefly argues how the signals turns into images on a TFT-LCD display. This is not targeted at any specific TFT-LCD, but this argues the basic mechanism of TFT-LCD.
OMAP sends a FCLK signal as the initiation signal for drawing a frame. As the TFT-LCD receives the FCLK signal, the LCD identifies at the upper left side corner and recognizes the location as the starting point. At the location, the coordinate of (0,0) is given. As any TFT-LCD receives the FCLK signal, the TFT-LCD treats the next pixel data is considered as the initial data and its place as (0,0) coordinate. (At this point, there is a location data only, and no one-pixel size of image data is sent to the LCD yet.)
Next, OMAP sends a set of a PCLK signal and the amount of one pixel image data to the 24bit length data bus. As this TFT-LCD receives the PCLK signal, the TFT-LCD reads the 24bit length bus, and displays the information of the data at the (0,0) pixel. As OMAP is setting up the information of the next data at the data bus, OMAP sends a PCLK signal to the TFT-LCD again. As the LCD receives the PCLK signal again, the LCD reads the data from the data bus and displays the information on the next pixel. This process can be repeated 800 times. After repeating this process 800 times, drawing of the first line is completed. After the completion of drawing, OMAP sends an LCLK signal. This signal indicates the ending of drawing a line and the beginning of drawing a next line below the previous line.~ After the LCLK signal is received, the pixel drawing begins from left side and one pixel below the previous drawing. As TFT-LCD receives a PCLK, it reads from the image data from data bus and displays the image. To draw a new line, this process repeated 800 times (again). This PCLK-then-LCLK process is totally repeated 480 times, one frame of an image is completed (this explanation assumes that this is a case of non-interlaced display). After one frame is finished, the FCLK signal is sent, the drawing of the next frame starts at (0,0), and the drawing goes pixel by pixel. To repeat this drawing process, the images can be displayed on the screen.~
To draw images, the signals listed below are used. The list below explains the meanings of abbreviations and how these work for displaying images.
The list of signal:
- Vertical Synchronization (VSYNC)
- It is also called Frame Clock (FCLK). This signal indicates the beginning of drawing a frame.
- Horizontal Syncronization (HSYNC)
- It is also defined as Line Clock (LCLK). This is a signal that starts drawing a line horizontally.
- Pixel Clock (PCLK)
- This signal indicates the completion of preparing one pixel amount of data on the data bas. This signal does not exist for any CRT screen. Once any TFT-LCD receives this signal, it reads the information of a displaying pixel and drawing the pixel on the screen. Each time a signal is sent as every single pixel on a screen is drawn on the screen.
- (Pixel) Data Enable (DE)
- This signal identify whether the RGB of pixel data is effective (active) or not. To move horizontally, this signal is usually effective (active).
- (Pixel) Data
- 24bit length of data bus.
At the signal end, the voltage of peripherals of OMAP is 1.8V. This means that its high level (H level) voltage is about 1.8V and its low level (L level) voltage is 0 voltage. On Gumstix Overo, at the voltage level of its IO connector is 1.8V, which is identical to OMAP's H level voltage. On the other hand, the driving voltage of TFT-LCD is 3.3V at the single end.
In general, the input voltage for H level needs to be 0.65 ~ 0.7 times of driving voltage. This means H level voltage of TFT-LCD panel is shown below.
H level input voltage = 3.3 x 0.65 = approximately 2.15V (at least)The voltage from OMAP is 1.8V, and its H level voltage is too low to work with this TFT-LCD, and it needs to boost its voltage at the same level as TFT-LCD's voltage level. (By the way, in this case, there are no output signals to OMAP. Just remind you that OMAP does not accept 3.3V output signals, either.)
As explained in the earlier paragraph, the signals, which are sent from OMAP, cannot be directly accepted at the TFT-LCD. To connect OMAP with the TFT-LCD, OMAP's H level voltage, 1.8 V is needed to boost to 3.3 V. Otherwise, the TFT-LCD can not be connected with OMAP. To adjust two different voltage levels, a different-voltage logic is required for adjusting a level of voltage. There are several LSIs, which can adjust different levels of voltages. Please carefully select one, which is the most suitable for your need. The signals are sent from OMAVE to the TFT-LCD in one-way, and are transferred fast to deal with image data. Because of handling image data and considering other requirements, for this example, SN74AVCB164245 (an LSI from TI) is selected for this example.
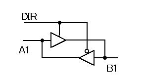
To use a DIR terminal, this LSI can change the direction of conversion from A-to-B to B-to-A, or vise versa, without synchronization. To use the OE terminal, two buses can be separated without synchronization. Please look at the data sheet of SN74AVCB164245 for the details. For this example, the direction of the DIR signal is fixed since the signals are sent form OMAP to the TFT-LCD only. Since the LSI keeps converting signals, the OE terminal is always set to be active.
In this example, the connection is established as it follows. First, VccA is connected to 1.8V, and this is connected to the bus from OMAP. Then, VccB is attached to 3.3V, and it is also connected to the TFT-LCD. The direction, which is determined by the DIR terminal, is from A to B, and this is fixed at the H level voltage. To keeps the OE terminal always active, the OE is fixed at L level voltage.
The size of a pixel signal, which is sent from OMAP, is totally 24bit length: each RGB color element requires 8 bit (8 bit x 3 color elements = 24bit). This type of system is called “Parallel Expression.”
At the connector of Gumstix Overo, its output signals are specifically labeled (named) from L_DATA00 to L_DATA23. From L_DATA00 to L_DATA07, and these signals are allocated for the blue elements, which are lined up from LSB to MSB. As applying the same manner, from L_DATA08 to L_DATA15, these signals are for the green elements. The red elements are placed from L_DATA16 to L_DATA23. These allocations are preset by the OMAP hardware, and any software cannot change the allocations. RGB elements of OMAP's bit order and the TFT-LCD's are unlikely complemented. To connect with the TFT-LCD, you have to make sure that the RGB elements of OMAP are connected with the right counter parts of TFT-LCD, and do not confuse between LSB and MSB. If you misconnect these RGB elements and/or LSB or MSB, the TFT-LCD cannot display correct colors on its screen. The smiler process is applied to connect the lines of the controlling data enabler, horizontal synchronization, and vertical synchronization.
At the input side of SN74AVCB164245, 1.8V input should not keep on float condition. To avoid leaving it float condition, pull up or pull down resistors are required.
Each pixel of the TFT-LCD neither glow nor produce light itself. A principle of TFT-LCD backlit display is described as follows. The TFT-LCD, which is equipped with a backlight, is technically flickering as fast as opening and closing RGB color filters of each pixel. The light, which is produced at the backlight, goes through the filters and lights up the TFT-LCD from behind. (Edge-lit display utilizes the reflection of light in stead of direct light like the backlit display. At edge-lit display, the source of light is tangent to TFT-LCD, not directly behind it.) If the backlight does not glow, the image on the TFT-LCD screen is neither visible nor recognizable.
A few years ago, Cold Cathode Fluorescent Lamps were the most popular source of light for LCD displays and were commonly used for backlight. But lately, white LCD has been widely used for backlight. This 7 inch-TFT-LCD panel is equipped with 24 white LEDs, totally. These 24 white LEDs are divided into three strings, and each string consists of a series connection of 8 white LEDs. On this TFT-LCD panel, 20 mA is the maximum current for each string, and this is considered as the standard value.
To adjust the level of luminance of the backlit display, there are two ways to change the level of luminance. One is to adjust a PWM duty cycle ratio, and the other is to change the level of electric current. A duty cycle describes the ratio of a two states of one entity in one unit of cycle. It describes the ratio of the duration that an entity reaches at H level against the duration of one cycle of the entity. If the entity does not reach H level and stays at L level during one cycle, its ratio is 0% for this cycle. On the other hand, the ratio becomes 100% if it stays at H level and does not be at L level all time in this one cycle.~ To change the level of luminance, this duty ratio is needed to be shifted. As level of luminance is set at 60% level, the duty ratio is also set at 60%. This means that 60% of one cycle remains at H level, and the RGB filters also open at 60% of one cycle. To adjusting the level of luminance, the screen changes the duration of opening and closing filters, but since its blinking is quite fast, it seems like letting the screen darker or brighter.
The duty cycle ratio = the duration of Th / the duration of Ts (duration of one cycle)
To modify the level of luminance by the program, shifting the duty cycle ratio is easier than changing the level of electric current. To apply the latter method, the adjustment of the number of resistors is required for changing the brightness of the screen. This is not as simple as changing the duty cycle ratio by program. This is why the duty cycle ratio method is more popular than change the level of electric current. This example employs the duty cycle ratio method, which is often called as PWM (Pulse Width Modulation), since this intends to adjust the level of luminance by programming rather than hardware.
(1) Gumstix Overo connector
To connect with Gumstix Overo, the lines for the information, such as the lines of L_DATA00, … , L_DATA23, FCLK, LCLK, PCLK, BIAS (DE signal), and PWM for luminance, are pulled out from the 70-pin connector. These lines are requirements for connecting TFT-LCD to Gumstix Overo. The power supply for Gumstix is also required, separately.
(2) Voltage Conversion
The signals that come out from OMAP are sent to VccA, and the ones, which are output from TFT-LCD, are handed over to VccB. SN74AVCB164245 has the DIR lead, which determines the direction of a signal and the OE lead, which makes the conversion effective. The DIR and OE leads are already configured to connect with H level and GND respectively, and these leads' directions of conversions are also predetermined. These configurations of the leads are always effective. The total amounts of converted signals are 28bit. 24bit is used for images, and 4bits are taken for clock. However, one LSI can accepts only 16bits. Therefore, two LSIs are prepared, and totally these LSIs can mange the amount of 32bits. To prevent 4 bits of excesses to be floating, these excesses are connected to VccA.
(3) Power Circuit
This circuit is required the specific levels of voltage for the certain parts. The levels of voltage and specific locations to apply are shown below.
- 1.8 V
- Used at I/O of OMAP
- 3.3 V
- Used at TFT-LCD
- 3.3 ~ 4.2 V
- Used at Overo
- This does not mean that the level of voltage can be fluctuating between 3.3 V and 4.2 V. This defines that the level of voltage is needed to be steady at one voltage between 3.3 V and 4.2 V.
(4) Backlight Circuit
TFT-LCD uses 24 white LEDs for backlight. The LEDs are divided into 3 strings. One string has 8 LEDs, and these 8 LEDs of one string are connected in series. One string consumes 20 mA. As this TFT-LCD needs three strings of LEDs, totally, the level of consumption is 60 mA. The forward voltage drop per LED is less than 3V per LED. Because of 3V x 8LEDs, one string requires 24V, and all three strings are connected in parallel. Therefore, This LCD requires at least 24V, totally.
LT3598 of Linear Technology Corp is used for managing boost and constant current power supply. To protect from excess voltage, the maximum voltage is set at 31V. If the maximum voltage is just enough voltage such as just above 24V, its voltage would reach the maximum before enough electric current circulates in. This might cause malfunctions on the power supply of the backlight circuit. Therefore, the maximum voltage is set for higher voltage than the required. To mange luminance, PWM signals are input in the backlight circuit.
The schematic, which is attached to this document, has lines of GPIO, SPI, and I2C for expansion connectors. Also, serial console is connected to the LSI for USB-serial conversion, and this allows to connect with serial console by USB cable in stead of serial cable.
- Schematic
- 2012/2/22 The article is initially uploaded.